Clamp Assemblies

Clamp assemblies
ModelFor centrifugal
forces up to (kN)
Clamping
force (kN)
Clamping
pressure (MPa)
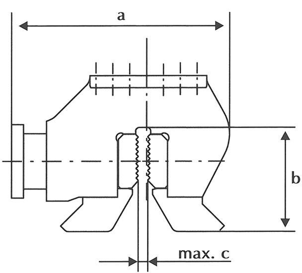
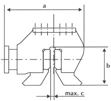
Dimensions (mm)I-Beam min
(mm)
Weight
(kg)
abcde
MRZV clamp assemblies1
EKZ 7206007204875039842350593300410
EKZ 9608009604877040339380605360480
EKZ 7806507804889541540350585260470
EKZ 112092511204993043240350650300685
EKZ 180014001800481185502403507754001320
HVR clamp assemblies1
EKZ 3603003602465027025300380180170
EKZ 4804004802465027025300380180180
SKZ 4804004802477531030350430220270
SKZ 6005006004089541540350585260470
Double clamp assemblies
ModelFitted clamp
assembly
Clamping
force (kN)2
Clamping
pressure (MPa)
Dimensions (mm)Weight
(kg)
Design
abcde
Double clamp assemblies3
DKZ 1450 / 600EKZ 72014504860045083595010201565stepless adjustable
DKZ 1440SKZ 780144048510 or 64045082097011252100adjustable stroke 'b'
hydraulic. lockable
Casing clamp assemblies
ModelFitted clamp
assembly
Clamping
force (kN)2
Clamping
pressure (MPa)
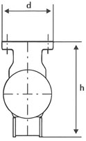
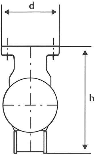
Dimensions (mm)Casing diameter
(mm)
Weight
(kg)
Design
abc
Casing clamp assemblies
RKZ 960EKZ 480960241340300428508/610
711/813
914/1016
1565option A,
adjustable in
steps
RKZ 1440SKZ 14401440481930470883610/10164
610/9144
2100option B, step-
less adjustable,
mech. lockable
1 Suitable for single sheet piles, pairs of sheet piles interlocked, I- and H-beams
2 Both clamp assemblies added
3 Suitable for pairs of U-shaped sheet piles
4 Depending on MOBILRAM-System
Clamp assemblies Clamp assemblies Clamp assemblies
We reserve the right to change technical specifications without prior notice.